H44H、H44Y型旋啟式止回閥是靠管路中介質本身的流動產生的力而自動開啟和關閉的,屬于一種自動閥門。止回閥用于管路系統,其主要作用是防止介質倒流、防止泵及其驅動電機機反轉,以及容器內介質的泄放。止回閥還可用于給其中的壓力可能升至超過主系統壓力的輔助系統提供補給的管路上。
零件名稱 | 材料 |
閥體 | 碳素鋼WCB |
閥蓋 | 碳素鋼WCB |
閥瓣 | 碳素鋼WCB+硬質合金或不銹鋼 |
閥座 | 碳素鋼WCB+硬質合金或不銹鋼 |
閥桿 | 不銹鋼 |

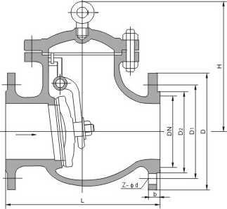
型號 | DN | 系列1 | 系列2 | D | D1 | D2 | b | n-0d | H |
H44H-10C | DN40 | 200 | 200 | 145 | 110 | 85 | 16 | 4-0 18 | 130 |
DN50 | 230 | 230 | 160 | 125 | 100 | 16 | 4-0 18 | 135 | |
DN65 | 290 | 290 | 180 | 145 | 120 | 18 | 4-018 | 145 | |
DN80 | 310 | 310 | 195 | 160 | 135 | 20 | 8-0 18 | 175 | |
DN100 | 350 | 350 | 220 | 180 | 155 | 20 | 8-018 | 200 | |
DN125 | 400 | 400 | 245 | 210 | 185 | 22 | 8-018 | 255 | |
DN150 | 480 | 480 | 280 | 240 | 210 | 24 | 8-023 | 320 | |
DN200 | 495 | 550 | 340 | 295 | 265 | 24 | 8-0 23 | 380 | |
DN250 | 622 | 650 | 395 | 350 | 320 | 26 | 12-0)23 | 440 | |
DN300 | 698 | 750 | 445 | 400 | 370 | 26 | 12-0 23 | 480 | |
DN350 | 787 | 850 | 505 | 460 | 430 | 30 | 16-0)23 | 530 | |
DN400 | 864 | 950 | 565 | 515 | 482 | 32 | 16-<D 26 | 560 | |
DN450 | 978 | 1050 | 615 | 565 | 532 | 36 | 20-0 26 | 620 | |
DN500 | 978 | 1150 | 670 | 620 | 585 | 38 | 20-0 26 | 655 |
版權所有:博納斯威閥門股份有限公司 地 址:天津市寶坻區九園工業園5號路
版權所有:博納斯威閥門股份有限公司
地 址:天津市寶坻區九園工業園5號路